虚拟实验

您目前的位置: 首页 > 虚拟实验 > 控制工程 > 基本人机交互输出接口虚拟实验

基本人机交互输出接口虚拟实验(基础型)

       实验简介:本实验是学校机械、控制、电子和信息等学科各专业学生必修的基本课程实验。实验所用的8段LED通用性强,在实际生活中的许多地方都有使用。实验需要有专门的硬件实验系统才能进行,为满足实验对象面广、量大的需求,必须有大量的实验设备、器件和工具,而且还需要有专门的场所和经常性的维护保障。而虚拟实验,学员可以任何时刻,利用网络的任意节点,在虚拟的环境下完成实验项目的操作以及编程等任务,观察虚拟实验结果,熟悉基本人机交互输出接口设计方法。利用8个8段LED显示器制作8位字符输出显示器组,完成动态刷新输出。本虚拟实验系统包括虚拟硬件原理电路和软件编程环境两部分。 

实验功能:虚拟实验系统效果如图所示。实验时,通过点击黄色圆圈接线点实现正确连线,完成硬件设计;连线正确后系统给出主要的汇编语言程序代码,并要求学员对关键语句进行填空编程,完成对LED显示接口的驱动程序设计;系统可以对程序进行错误检查和提示;根据输入的汇编语言代码程序进行虚拟仿真,观察实验现象。

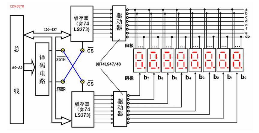
图片41.png












18  七段LED显示接口虚拟实验界面

       实验效果:在网络环境下按照实验要求连线硬件原理实验图,编写汇编语言程序,启动开始实验按钮,软件程序驱动硬件,并在模拟LED数码管上显示相应的输入数字,过程逼真。通过虚拟实验,学生熟悉数码管的基本结构,理解动态扫描,分时显示的原理,掌握基本人机交互输出接口的设计方法。